Гидравлическая схема гидростанции
Гидравлическая станция служит для подачи масла с определенным давлением и скоростью, которое приводит в действие исполнительные механизмы с гидроцилиндрами. Маслостанции представляют собой технически сложные устройства, которые состоят из нескольких основных узлов. Рассмотрим подробнее типовую гирдавлическую схему этого вида оборудования.
Компоненты гидростанции и их характеристики
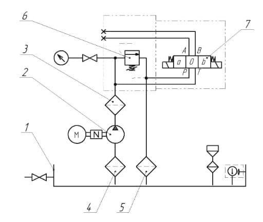
На инженерных чертежах конкретные элементы гидравлических станций представлены условными обозначениями. Для понимания ниже приведена схема с цифровыми обозначениями каждого компонента.

Рассмотрим каждый из них отдельно.
Бак
Бак для хранения гидравлической жидкости (на схеме под номером 1) используется для хранения масла, которое циркулирует по гидросистеме. Кроме того, он используется для удаления из масла или эмульсии воздушных пузырьков.
Важно правильно спроектировать емкость для беспрепятственного поступления туда жидкости из сливной магистрали и процесса деаэрации. Кроме того, необходимо рассчитать количество рассеиваемой тепловой энергии через стенки емкости в окружающую среду. От этого параметра напрямую зависит необходимость установки дополнительного теплообменника.
После изготовления емкость проверяется на герметичность. Изнутри покрывается защитным составом, который препятствует разрушению металла в процессе контакта с разогретым маслом или эмульсией. Снаружи баки покрываются порошковой краской, которая защищает от коррозии и продлевает срок службы бака.
В качестве контрольного элемента выступает датчик уровня масла. Слив отработанного масла производится через специальное отверстие в нижней части емкости. Баки могут иметь различную форму и размеры в зависимости от требуемых характеристик масляной станции или особенностей ее компоновки.
Насос
Гидравлический насос (на схеме под номером 2) является одним из основных компонентов станции. Он преобразует энергию вращения от силового агрегата в поток масла, который подается по трубам к гидроцилиндрам и заставляет совершать их механическую работу.
Для компоновки гидростанций используются различные типы насосных агрегатов в зависимости от требуемых характеристик давления и скорости нагнетания масла.
Возможны следующие варианты:
- Скорость подачи жикдости от 0,5 л/мин до 500 л/мин и более (насосы с большей подачей устанавливаются в станции только по индивидуальным заказам);
- Диапазон давлений от 2 до 350 бар и более до 700.
Популярностью пользуются такие виды насосов:
- Шестеренные и аксиально-поршневые. Широко применяются для подачи гидравлической энергии к мобильным инструментам и производственному оборудованию.
- Радиально-поршневые. Отличаются небольшими размерами и могут использоваться для компоновки мобильных масляных станций. Подают масло с высоким давлением до 70МПа и имеют большой КПД. Используются для подачи масла к гидроцилиндрам, имеющим большую грузоподъемность.
- Пластинчатые. Обеспечивают равномерную подачу масла с высокой производительностью. Применяются для подачи масла к гидроприводам и обеспечения непрерывной работы станков и прочего производственного оборудования.
Возможно использование нескольких насосов, в том числе разного типа, которые подбираются в зависимости от требуемых режимов работы.
Гидрораспределитель
Гидравлический распределитель (на схеме под номером 7) необходим для изменения направления потока рабочей жидкости к гидроцилиндрам или остановки подачи. С их помощью можно изменить направление движения исполнительного механизма. Например, перемещение поршня гидроцилиндра в прямом или обратном направлении, а также вращение гидромотора.
Гидрораспределители могут быть нескольких типов:
- Ручные;
- Электромагнитные;
- С пилотным пневмоприводом;
- С пилотным гидроприводом;
- Пропорциональные.
Они отличаются друг от друга условным проходом - 6, 8, 10, 16, 20, 25 и 32 мм.
В маслостанциях чаще всего используются распределители золотникового типа. Они дешевы, имеют компактные размеры и отличаются высокой надежностью. Выдерживают высокое давление рабочей жидкости (до 350 бар) и высокую скорость (до 1100 л/мин).
Система фильтрации
Для обеспечения непрерывной работы гидростанции без поломок необходимо поддерживать рабочую жидкость в чистоте и удалять из нее посторонние частицы и мусор, попавший во время циркуляции по системе. В противном случае возможно заклинивание подвижных частей, а также слишком быстрый износ различных элементов. Это уменьшает мощность станции и приводит к неоправданно большим затратам на ремонт.
Сложное гидравлическое оборудование, с большим количеством управляющих элементов требует многоступенчатой фильтрации масла. Выбор характеристик фильтров и мест установки зависит от параметров гидросистемы.
Возможны такие варианты:
- Для гидростанций общего назначения и разово-эризодической работой возможна установка фильтров с тонкостью очистки 80 мкм;
- Для гидростанций с более интенсивным режимом работы устанавливаются фильтры 25 мкм;
- Для оборудования с автоматическими системами управления на базе пропорциональных гидрораспределителей необходимы фильтры 10 мкм.
Фильтрующие элементы устанавливаются во всасывающей, сливной или в напорной магистралях, либо в отдельном циркуляционном контуре очистки. Они монтируются так, чтобы обеспечивать простой доступ для демонтажа и замены фильтроэлемента. Рекомендуется использовать устройства с индикацией загрязнения, что упрощает контроль за техническим состоянием степени загрязнения.
На схеме фильтры обозначены цифрами 3 (напорный), 4 (всасывающий) и 5 (сливной).
Предохранительный клапан
Клапан для защиты от разрыва гидросистемы (под номером 6 на схеме) испоьзуется для стравливания давления масла при его увеличении сверх установленного предела. С его помощью осуществляется автоматический слив масла в бак, а также прекращение сброса при возврате давления в рабочий диапазон.
Услуги по изготовлению маслостанций
Несмотря на кажущуюся простоту схемы гидравлической станции, самостоятельно спроектировать и сконструировать ее невозможно. Для этого необходимы специальные знания и опыт, инструменты и оборудование. Кроме того, перед использованием станции на производстве она должна пройти необходимые испытания с составлением соответствующих протоколов.
Заказать изготовление станции вы можете в нашей компании. Мы имеем большой опыт проектирования и сборки маслостанций по индивидуальным заказам. Гарантируем качество изделия и полное соответствие действующим стандартам.
Для получения дополнительных консультаций и оформления заказа свяжитесь с нашими менеджерами по телефону, указанному на сайте.